In early September 2025, we received another order from a long-term customer in the UK. This was their second order from us, again for Stainless Steel 316L blind flanges. Their requirements were very specific: not only did they prioritize on-time delivery, but they also placed particular emphasis on the flange’s appearance and the accompanying EN 10204 3.1 Material Test Certificate (MTC).
After receiving the order, we immediately arranged a production schedule. During the production process, we rigorously implement dimensional inspections, outer diameter measurements, and bolt hole distribution checks to ensure that every flange complies with ASME/EN standards.
Because of the customer’s high expectations for product appearance, we pay particular attention to the surface treatment of the flanges. All flanges undergo a visual inspection before shipment to ensure a smooth, flat surface, free of scratches or burrs. Furthermore, each shipment includes a 3.1 MTC, which fully documents the material’s chemical composition and mechanical properties, ensuring traceability and reliability. For packaging, we use plastic film wrapping and moisture-proof wooden crates to ensure safety during transportation while enhancing the overall aesthetics.
If you’re looking for a reliable stainless steel flange manufacturer, please feel free to contact us.
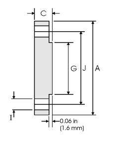
Dimensional Inspection Steps for Stainless Steel Blind Flanges
Outside Diameter Inspection
Use a caliper or specialized measuring tool to measure the flange’s outside diameter to ensure it conforms to the standard size.
Thickness Inspection
Measure the overall flange thickness and the sealing surface thickness to prevent deviations that could lead to insufficient strength or seal failure.
Bolt Hole Inspection
Check whether the number, diameter, and distribution of bolt holes meet standards.
Measure the bolt circle diameter (BCD).
Facing Inspection
According to customer requirements, inspect the sealing surface type (RF, FF, RTJ) and measure the roughness and surface flatness.
Marking Inspection
Confirm that the flange surface markings (material, specification, pressure rating, standard number, heat number) are complete and legible for traceability.
Other Visual Inspections
Inspect the flange surface for defects such as cracks, burrs, scratches, and rust.

Specification of Blind Flange
| Sealing Face | RF, FF, FTJ |
| Size Range | 1/2” – 48” / DN15 – DN1200 |
| Pressure Rating | Class 150, 300, 600, 900, 1500, 2500lb |
| Standard | ASME / ANSI B16.5, ASME B16.47 Series A/B |
| Carbon Steel | ASTM A105 / A105N |
| Low Temp Carbon Steel | ASTM A350 LF2/LF3 |
| Pipeline Steel | ASTM A694 F42 / 46 / 56 / 60 / 65 |
| Alloy Steel | ASTM A182 F11 / 12 / 5 / 9 / 91 / 92 |
| Stainless Steel | ASTM A182 F304/304L/304H, 316/316L, 310S, 317,347,904L |
| Duplex Stainless Steel | ASTM A182 F51, F53, F44 |
ASTM A182 F316L Flange Chemical Composition
| CHEMICAL | LIMITS | C | Mn | P | S | Si | Ni | Cr | Mo | N |
| ASTM A182 F316 | MIN | 10.0 | 16.0 | 2.00 | ||||||
| MAX | 0.08 | 2.00 | 0.045 | 0.030 | 1.00 | 14.0 | 18.0 | 3.00 | 0.10 | |
| ASTM A182 F316L | MIN | 10.00 | 16.0 | 2.00 | ||||||
| MAX | 0.03 | 2.00 | 0.045 | 0.030 | 1.00 | 15.00 | 18.0 | 3.00 | 0.10 |
ASTM A182 F316L Flange Mechanical Property
| MATERIAL | ASTM A182 F316 | ASTM A182 F316L |
| T.S (MPA) | 515 min | 485 min |
| Y.S (MPA) | 205 min | 170 min |
| EL % | 30 min | 30 min |
| R/A % | 50 min | 50 min |
Class 150 lb Blind Flange Dimensions

| Nominal Pipe Size | A | C | G | H | I | J | Weight | |
| mm | mm | mm | mm | Number of Holes | mm | mm | kg/piece | |
| 1/2 | 21.3 | 95.2 | 14.2 | 35.1 | 4 | 15.7 | 66.55 | 0.64 |
| 3/4 | 26.7 | 117.3 | 15.7 | 42.9 | 4 | 19 | 82.5 | 1.11 |
| 1 | 33.4 | 123.9 | 17.5 | 50.8 | 4 | 19 | 88.9 | 1.39 |
| 11/4 | 42.2 | 133.3 | 19 | 63.5 | 4 | 19 | 98.5 | 1.79 |
| 11/2 | 48.3 | 155.4 | 20.6 | 73.15 | 4 | 22.3 | 114.3 | 2.66 |
| 2 | 60.3 | 165. 1 | 22.3 | 91.9 | 8 | 19. 10 | 127 | 3.18 |
| 21/2 | 73.0 | 190.5 | 25.4 | 104.6 | 8 | 22.3 | 1.493 | 4.85 |
| 3 | 88.9 | 209.5 | 28.4 | 127 | 8 | 22.3 | 168.1 | 6.81 |
| 31/2 | 101.6 | 228.6 | 30.2 | 139.7 | 8 | 22.3 | 184.1 | 8.71 |
| 4 | 114.3 | 254 | 31.7 | 157.2 | 8 | 22.3 | 200.1 | 11.5 |
| 5 | 141.3 | 279.4 | 35 | 185.7 | 8 | 22.3 | 234.9 | 15.6 |
| 6 | 168.3 | 317.5 | 36.5 | 215.9 | 12 | 22.3 | 269.7 | 20.9 |
| 8 | 219. 1 | 381 | 1.620 41.10 | 269.7 | 12 | 25.4 | 330.2 | 34.3 |
| 10 | 273.0 | 444.5 | 47.7 | 323.9 | 16 | 28.4 | 387.3 | 53.3 |
| 12 | 323.8 | 520.7 | 50.8 | 381 | 16 | 31.7 | 450.8 | 78.8 |
| 14 | 355.6 | 584.2 | 53.8 | 412.8 | 20 | 31.7 | 514.3 | 105 |
| 16 | 406.4 | 647.7 | 57.15 | 469.9 | 20 | 35 | 571.5 | 137 |
| 18 | 457.2 | 711.2 | 60.45 | 533.4 | 24 | 35 | 628.6 | 175 |
| 20 | 508.0 | 774.7 | 63.5 | 584.2 | 24 | 35 | 685.8 | 221 |
| 24 | 609.6 | 914.4 | 69.85 | 692.2 | 24 | 41. 10 | 812.8 | 339 |
Class 300 Stainless Steel Flange Weight
| Pressure | Size | SO | TH | SW | LAPJ | BL | WN |
| 300LB | 1/2 | 0.68 | 0.68 | 1.36 | 0.68 | 0.91 | 0.91 |
| 3/4 | 1.14 | 1.14 | 1.36 | 1.14 | 1.16 | 1.36 | |
| 1 | 1.36 | 1.36 | 1.36 | 1.36 | 1.82 | 1.82 | |
| 1 1/4 | 2.04 | 2.04 | 1.82 | 2.04 | 2.72 | 2.27 | |
| 1 1/2 | 2.95 | 2.95 | 2.72 | 2.95 | 3.18 | 3.18 | |
| 2 | 3.18 | 3.18 | 3.18 | 3.18 | 3.63 | 3.63 | |
| 2 1/2 | 4.54 | 4.54 | 4.54 | 4.54 | 5.45 | 5.45 | |
| 3 | 5.90 | 6.36 | 5.90 | 6.58 | 7.26 | 8.17 | |
| 3 1/2 | 7.20 | 7.26 | 7.72 | 7.26 | 9.53 | 9.10 | |
| 4 | 10.67 | 10.90 | 9.99 | 10.90 | 12.71 | 12.03 | |
| 5 | 13.17 | 14.07 | – | 11.80 | 16.80 | 16.34 | |
| 6 | 16.34 | 16.34 | – | 17.25 | 21.79 | 20.43 | |
| 8 | 25.42 | 25.42 | – | 24.97 | 35.87 | 31.33 | |
| 10 | 34.96 | 36.32 | – | 39.95 | 55.39 | 45.40 | |
| 12 | 51.30 | 49.94 | – | 63.11 | 83.48 | 64.47 | |
| 14 | 72.19 | 74.46 | – | 83.54 | 109.41 | 93.52 | |
| 16 | 95.34 | 99.88 | – | 106.24 | 143.01 | 113.05 | |
| 18 | 114.86 | 127.12 | – | 138.40 | 187.96 | 138.92 | |
| 20 | 139.38 | 147.55 | – | 170.25 | 233.81 | 167.53 | |
| 24 | 222.46 | 222.46 | – | 240.62 | 363.20 | 235.63 |
Different Face Types
Similar to other flanges, blind flanges can have different face types to match the mating flange and gasket:
Raised Face (RF): The most common type, featuring a raised ring around the bore to concentrate sealing pressure.
Flat Face (FF): Has a flat sealing surface, typically used with flat face mating flanges, often in low-pressure applications or with fragile flanges.
Ring Joint (RTJ): Features a groove to accommodate a metal ring gasket, designed for high-pressure and high-temperature service.

Applications
Offshore and Marine Piping
Chemical Processing Plants
Water Treatment Systems
Pharmaceutical and Food Processing
Heat Exchangers, Pumps, and Valve Ends
